
產品分類
更新時間:2024-01-02
瀏覽次數:784胡冠楠
安科瑞電氣股份有限公司 上海嘉定
福建某電力建設集團有限公司成立于2008年4月22日,占地面積42486平方米,總建筑面積61548平方米?,F集團下屬有電力勘察設計院、電氣設備制造廠、電力建設公司(變電公司、配電公司)為一體的國家高新技術企業。是國網公司供配電設施入圍單位,也是大型央企、大型房企、大型工業企業、大型商業企業、大型市政項目核心的變配電系統供應商。公司產品包括安全型充氣柜、中置柜、低壓柜、預裝式變電站、動力配電箱等?,F集團公司在職人員500多人,年業績近10億,在全國承接的大型電力工程累計已有1600多項,均在安全運行,目前已是國內較有競爭力的電力工程EPC總承包的大型企業。
2 產品需求
本次針對福建某電力集團澤勝翔安火炬園10/0.4KV光伏項目裝設AM5SE-IS防孤島保護裝置,主要是利用裝置中的頻率突變跳閘和有壓自動合閘功能實現對整個系統的保護作用。
正常運行時,線路的頻率處于平衡穩定的值,當頻率波動較大,其頻率變化率超過了規定的定值時,可能會導致用電設備遭到破壞影響供電質量且對電力維修人員的生命安全有很大的威脅。因此,需要頻率突變保護功能跳開并網點開關,對電站起到保護作用。
頻率突變跳閘保護功能主要是監測線路中的頻率變化率,當線路有流,或線路有壓且斷路器合閘時,若頻率變化率df/dt大于頻率突變定值,裝置經可設延時發出頻率突變跳閘命令。保護邏輯如下圖。
圖1 頻率突變保護邏輯
有壓自動合閘保護功能主要是為了能夠保護電網與光伏電站之間安全工作同時,保證用戶的方便,需要做到光伏電站系統欠壓/失壓自動跳閘,檢有壓后自動合閘。這樣既可保證設備的安全,電網的穩定,又可降低人力維護成本。
當檢測到市電側電壓恢復正常,頻率正常,且待并側電壓和市電側電壓的電壓幅值、電壓頻率和電壓相角滿足同期條件時,若斷路器處于分位,裝置經可設延時發出有壓自動合閘命令。其中,同期動作的判斷條件可以選擇投入或退出,若退出,則不加入同期動作條件,僅判斷市電側電壓、頻率。保護邏輯如下圖。

圖2 有壓自動合閘保護邏輯
3 產品方案
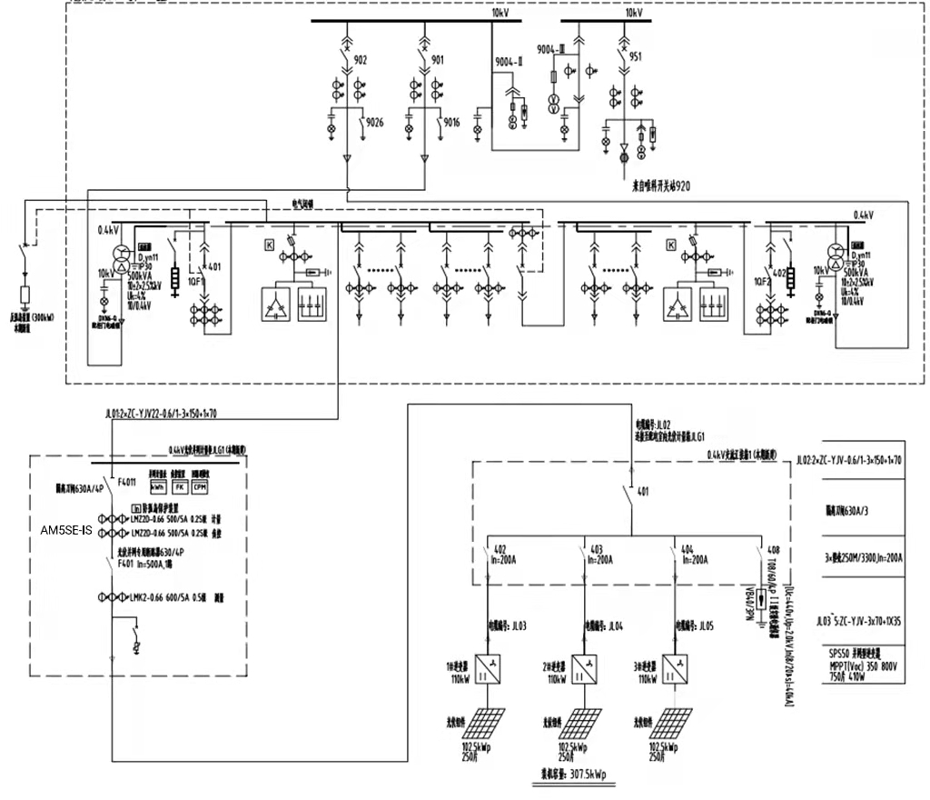
本工程線路主要包括市電側和光伏并網側兩大部分,由于孤島效應在光伏并網系統中經常發生,因此需要在并網柜處安裝AM5SE-IS防孤島保護裝置,利用其頻率突變跳閘和有壓自動合閘保護功能保證人員和電網的安全可靠運行,整個配電室上圖方案如下:

圖3 配電室上圖方案
針對本項目的一次方案及二次圖紙設計如下:

圖4 一次方案設計圖

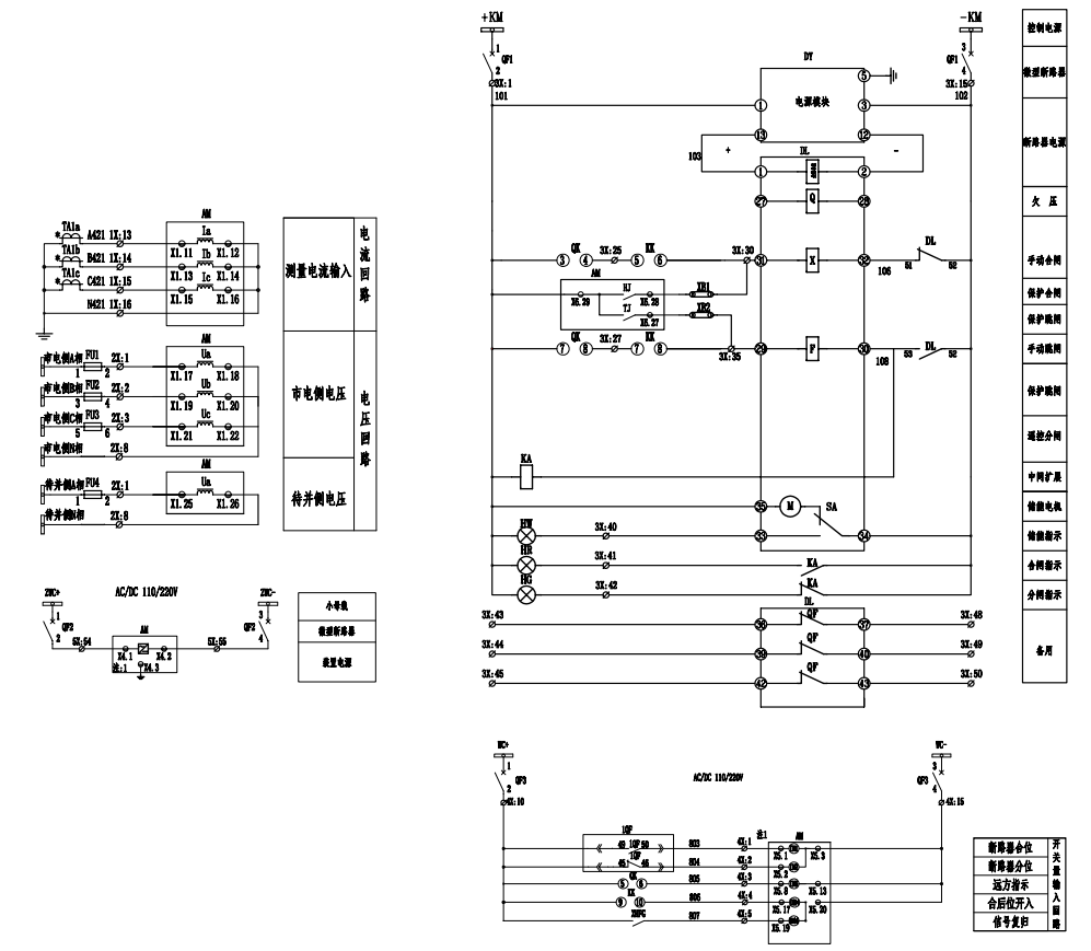
圖5 并網柜二次原理圖
4 測試
在與客戶溝通后,客戶于2022年1月5日對防孤島保護裝置的頻率突變跳閘和有壓自動合閘保護功能進行調試。
4.1測試儀器和保護裝置

圖6 現場AE型繼電保護測試儀電壓電流接線


圖7 AM5SE-IS防孤島保護裝置一次模擬圖 圖8 現場調試環境
4.2頻率突變保護測試
4.2.1測試項目
根據現場施工圖紙及客戶需求,本次頻率突變保護裝置測試值設置見表1:

表1 AM5SE-IS頻率突變保護測試值設置
4.2.2測試流程
根據表1所示進行現場接線與測試值設置。
先讓斷路器處于合閘狀態,如圖9所示。然后在端子X1.17-X1.18、X1.19-X1.20、X1.21-X1.22上施加57.74V電壓,按照圖10設置頻率變化率參數,裝置經延時保護跳閘,對應的指示燈亮,如圖11所示。

圖9 斷路器合閘狀態

圖10 頻率突變參數設置

圖11 頻率突變保護動作事件記錄
4.3有壓自動合閘保護測試
4.3.1測試項目
根據現場施工圖紙及客戶需求,本次有壓自動合閘保護要求在市電側和并網側檢同期的情況下,觸發有壓自動合閘保護功能,所以需要有壓自動合閘和同期功能都投入,有壓自動合閘保護測試值設置見表2,檢同期測試值設置見表3:

表2 AM5SE-IS有壓自動合閘測試值設置

表3 AM5SE-IS檢同期測試值設置
4.3.2測試流程
根據表2、表3所示進行現場接線與測試值設置。
先讓斷路器處于分閘的狀態,如圖12所示,并給合后位開入對應的開入量施加信號(AC/DC 220V或AC/DC110V),然后在端子X1.17-X1.18、X1.25-X1.26上分別施加電壓UA=UB=57.74V∠0°,頻率f=49.99Hz,具體設置如圖13所示。經延時,裝置發出同期合閘及保護合閘事件記錄,如圖14、圖15、圖16所示。

圖12 斷路器分閘狀態

圖 13 電壓施加窗口

圖14 同期合閘動作事件記錄 圖15 有壓自動合閘動作事件記錄

圖16 電壓、頻率遙測顯示
4.4測試結論
本次測試對AM5SE-IS防孤島保護裝置進行了頻率突變跳閘和有壓自動合閘保護功能驗證,測試結果均符合用戶技術要求。AM5SE-IS防孤島保護裝置的頻率突變跳閘能防止線路頻率變化率突變,有壓自動合閘保護能夠在系統失壓后檢測到有壓,斷路器自動合閘,可以確保系統恢復正常供電。
5 結語
防孤島保護裝置是光伏并網系統中的重要組成部分,許多重要場所0.4kV的低壓變電站都會引入燃油發電機或者小型光伏變電站,這些基本為用戶側自備式電源系統,自發自用,不向中壓電網或高壓電網饋電。本文介紹的AM5SE-IS防孤島保護裝置頻率突變功能可對線路中的頻率變化率進行實時監測,當檢測到頻率變化率超過了規定的定值時,裝置發出頻率突變跳閘命令跳開斷路器。有壓自動合閘功能可做到光伏電站系統欠壓/失壓自動跳閘,檢有壓后自動合閘。這樣既可保證設備的安全,電網的穩定,又可降低人力維護成本。